Millest sõltub kondensaatori mahtuvus?
Mis asi üldse on kondensaator oma ehituse poolest? Kondensaator koosneb kahest elektrit hästi juhtivast pinnast (elektroodist), mis on teineteisega kohakuti ning omavahel elektriliselt isoleeritud. Kummagi elektroodi külge on lisatud ühenduspunktid (kas kruviklemmid, jootepinnad või traadijupid jalgadeks). Kondensaatori ehitust illustreerib väga edukalt ka tema skeemi tähis.
Takistite standard suurused (nominaalid) ehk E seeriad.
Erinevaid skeeme uurides oled kindlasti märganud, et takistite väärtused kipuvad koduma või olema pisut sarnased, erinedes teistest 10, 100, jne korda. Näiteks 4.7k, 47k, 470k, jne. Samas ei kohta Sa 4.5k või 45k takistit. Miks nii?
Takisteid valmistatakse erineva täpsusklassiga. Enamlevinud on ±10% ±5%, ±2% ja ±1% täpsusklassid aga on kehvema täpsusega, nagu ±20% või parema täpsusega, nagu ±0,5%, ±0,1% või ±0,05%
Voltmeetri sisendtakistus: Kas ma pean sellest midagi teadma? On see oluline?
Enne kui voltmeetri juurde jõuame, räägime natuke pingejaguritest. Oletame, et meil on vaja teha kahest takistist pingejagur. Lihtne ülesanne, kas pole? Võtame kaks takistit, ühendame need jadamisi toiteallikale ning takistite keskpunktist võtame väljundi (nagu all oleval joonisel).
Releekontaktide "niisutamine" (wetting)
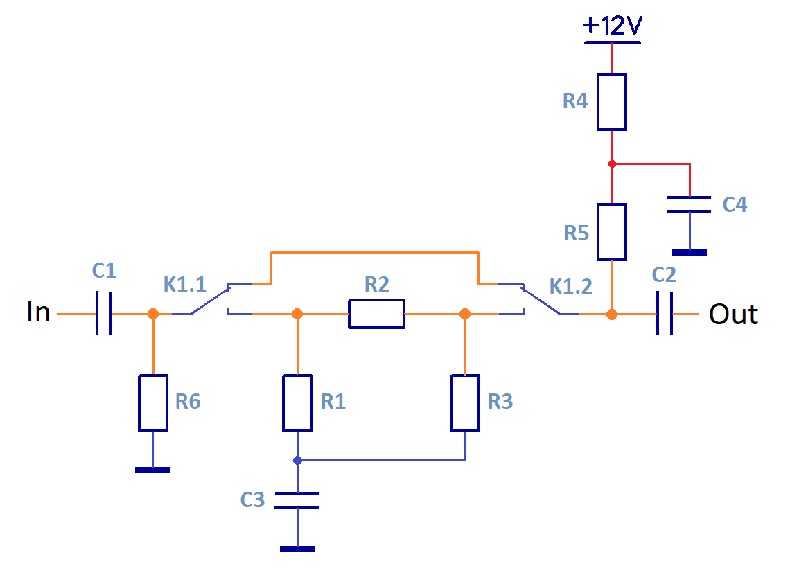
Sattusin hiljuti erinevaid skeemilahendusi otsides ja analüüsides ühe releelülitusega attenuaatori skeemi otsa mis pani kukalt kratsima ja asja rohkem uurima.
Arusaadav osa mulle oli C1 ja C2 (alalisvoolu läbivoolu tõkestamiseks erinevate skeemi astmete vahel), R1 - R3 (Pi - attenuaator signaali summutamiseks soovitud määra). Takistite R4 - R6 eesmärk aga jäi arusaamatuks. Vahet pole, kas attenuaatori osa on relee K1 abil ühendatud skeemi või mitte, mingi osa alalisvoolu jookseb lihtsalt vastu maad... miks?!
Mida teha kasutamata op-võimenditega?
Mida teha skeemis kasutamata jäänud op.võimenditega? Oletame, et kasutma 4 op.võimendiga kivi, millest kaks on ühendatud skeemi ja kaks jäävad kasutuseta. Mida nendega teha? Kas jätta jalad vabaks või ühendada need vastu maad?
Kuidas kasutada transistorit lülitina?
Milleks üldse kasutada transistori lülitina, kui saab ka niisama? Milleks kasutada autot, kui saab jala?! Selleks, et kiirust (n.ö) võimendada. Sama on transistoriga. Transistori abil saame lülitada suuri koormusi nii, et läbi lüliti jooksev vool on kümneid, sadu või tuhandeid kordi väiksem, kui lülitatava seadme tarbitav vool. Teise plussina saame lülitamiseks kasutada madalamat (või kõrgemat) pinget, kui on tarbija toitepinge.
Mis on detsibell (db)?
Elektroonikaga tegeledes olete kindlasti kokku puutunud selliste ühikutega nagu dB, dBm, dBu jne....
Mis elukad need on? Kas nad on ohtlikud, kas nad hammustavad?
Ei ole ohtlikud ja väga kõvasti ei hammusta ka. Kui, siis hästi natuke ja peast, kui esmakordselt püüda sellest aru saada, aga edaspidi liputavad ainult saba.
dB (detsibell ehk üks kümnendik belli) on kahe väärtuse logaritmiline suhe. dB on suhteline väärtus ning sellel puudub absoluutväärtus.





